GPS locators for stolen cars

Discussion in 'Other Automotive Tech & Talk' started by blugene, Aug 20, 2011.

  1. b_ryce70Mav

    b_ryce70Mav Member

    Joined:
    Jan 7, 2005
    Messages:
    453
    Likes Received:
    1
    Trophy Points:
    58
    Location:
    Shaw AFB, SC
    Vehicle:
    1970 Maverick
    Sorry, but the club is a joke. Locks are for keeping honest people honest. Kill switch is a good idea, or if you wanna go hardcore you could make the steering wheel removable. Its all about making your vehicle a hard target. If a thief really wants to steal it, he will.If you make it difficult enough though they'll take the easier to steal car next to yours.
     
  2. darren

    darren Member

    Joined:
    Jan 5, 2009
    Messages:
    4,852
    Likes Received:
    45
    Trophy Points:
    113
    Location:
    East of Dave
    Vehicle:
    72 302 Maverick
    True it may be just enough to make them go off to another vehicle that doesnt have one.
     
  3. darren

    darren Member

    Joined:
    Jan 5, 2009
    Messages:
    4,852
    Likes Received:
    45
    Trophy Points:
    113
    Location:
    East of Dave
    Vehicle:
    72 302 Maverick
    Maybe I should put a Comet badge on my Maverick so nobody will steal it. LOL. :stirthepot: :) ;)
     
    plynch likes this.
  4. blugene

    blugene Senior member Supporting Member

    Joined:
    Jul 25, 2004
    Messages:
    10,775
    Likes Received:
    85
    Trophy Points:
    283
    Garage:
    1
    Location:
    Marietta, OK
    Vehicle:
    73 Comet GT, 72 Comet GT, 2008 "Comet" (our boxer, who is now in the galaxies)
    It's a 02 that looks like the 03. No grey key.
    Yea, nobody will steal the badge if you put it on a Maverick :rofl2:
     
  5. smegnl

    smegnl Roger Saffle

    Joined:
    Apr 3, 2010
    Messages:
    2,326
    Likes Received:
    337
    Trophy Points:
    212
    Location:
    Wadsworth, Ohio
    Vehicle:
    1970 Grabber Clone
  6. darren

    darren Member

    Joined:
    Jan 5, 2009
    Messages:
    4,852
    Likes Received:
    45
    Trophy Points:
    113
    Location:
    East of Dave
    Vehicle:
    72 302 Maverick
    Oh crap. Forgot its an American truck. Ours have Skim as a standard option those years. American trucks not so. Too bad its a real good system.
     
  7. Dave B

    Dave B I like Mavericks!

    Joined:
    Mar 9, 2002
    Messages:
    16,931
    Likes Received:
    215
    Trophy Points:
    347
    Location:
    Parts Unknown......
    Vehicle:
    3 Grabbers
    So are those the ones that you pop the lock out, insert screwdriver and drive away? Like all the Dodges a few years ago?
     
  8. blugene

    blugene Senior member Supporting Member

    Joined:
    Jul 25, 2004
    Messages:
    10,775
    Likes Received:
    85
    Trophy Points:
    283
    Garage:
    1
    Location:
    Marietta, OK
    Vehicle:
    73 Comet GT, 72 Comet GT, 2008 "Comet" (our boxer, who is now in the galaxies)
    My tumbler face is flush with the steering column cover. There is no ring. :huh:
     
  9. krelboyne

    krelboyne Remember

    Joined:
    Aug 1, 2006
    Messages:
    900
    Likes Received:
    96
    Trophy Points:
    115
    Location:
    Salem, Oregon
    Lo Jack doesn't cover your area?
     
  10. darren

    darren Member

    Joined:
    Jan 5, 2009
    Messages:
    4,852
    Likes Received:
    45
    Trophy Points:
    113
    Location:
    East of Dave
    Vehicle:
    72 302 Maverick
    You cant do that with a Skim truck because of the chip in the key. That was our pre Skim trucks,say 2001 and down. With Genes truck its not as easy to get the cylinder out but yes you can get it out and drive it off with a screwdriver.
     
  11. blugene

    blugene Senior member Supporting Member

    Joined:
    Jul 25, 2004
    Messages:
    10,775
    Likes Received:
    85
    Trophy Points:
    283
    Garage:
    1
    Location:
    Marietta, OK
    Vehicle:
    73 Comet GT, 72 Comet GT, 2008 "Comet" (our boxer, who is now in the galaxies)
    Can you tell me what wire colors and where to look to put in a cut out switch? What do you yhink about using a fuse holder for this? I have seen these cut outs that have several pins and it's only two that will start the vehicle. You see like 6 or 7 pins but you have to have the piece that fits it and it will connect the correct two.
     
  12. darren

    darren Member

    Joined:
    Jan 5, 2009
    Messages:
    4,852
    Likes Received:
    45
    Trophy Points:
    113
    Location:
    East of Dave
    Vehicle:
    72 302 Maverick
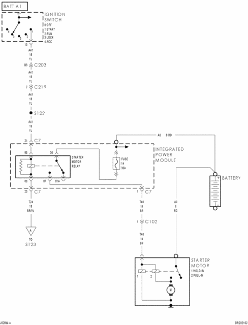
    Grabbed this quick tonight Gene.


    [​IMG]
     
  13. blugene

    blugene Senior member Supporting Member

    Joined:
    Jul 25, 2004
    Messages:
    10,775
    Likes Received:
    85
    Trophy Points:
    283
    Garage:
    1
    Location:
    Marietta, OK
    Vehicle:
    73 Comet GT, 72 Comet GT, 2008 "Comet" (our boxer, who is now in the galaxies)
    Thanks. By looking at it it looks like I can just go to the starter and splice there and run the wires back inside. Hell, maybe I should just get one of them fancy starter/alarm kits lol.
    A long time ago I had an alarm in my Comet that also came with door lock actuators and I could lock/unlock the doors remotely. All that's left is the actuators haha. Time for some rethinking..
     
  14. maverick75

    maverick75 Gotta Love Mavs!

    Joined:
    Mar 31, 2005
    Messages:
    9,018
    Likes Received:
    16
    Trophy Points:
    172
    Location:
    Riverside, California
    Vehicle:
    The mav is gone but i'm still here!

    got some info from the guy today.

     

Share This Page